|
|
|
环保业务一Environmental protection business
污水废水节能处理系统,危险废弃物,难处理工业废水的处理回收交钥匙工程及管理,技术咨询服务。
Energy-saving sewage & wastewater treatment systems, hazardous waste, turn-key project and management of treatment and recycling of industrial wastewater which is hard to be treated, technical consultation services. |
新加坡海水淡化工程 Singapore Seawater Desalination Project
 |
新加坡中水回用工程Singapore Intermediate Water Reuse Project
 |
汽提设备VOC去除 Stripping VOC Removal Equipment
传统二效蒸发设备 Traditional Double-Effect Evaporation Equipment
MVR蒸馏技术 MVR Distillation Technology
 |
MVR蒸发设备 MVR Evaporation Equipment

|
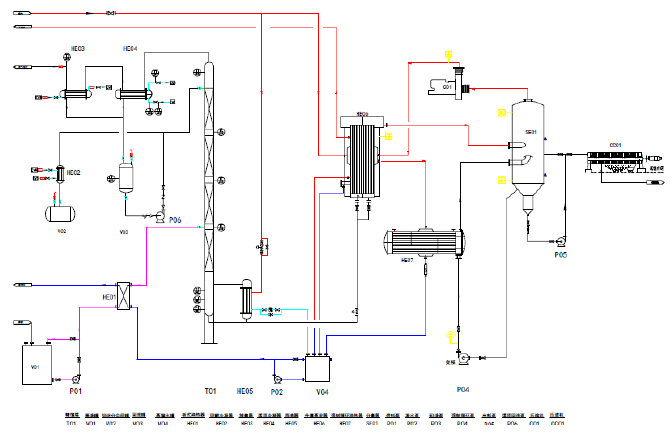
高盐分、高COD、高挥发有机物废水的综合处理工艺图
High Salinity And High COD, High Volatile Organic Wastewater Comprehensive Treatment Process Diagram
废有机溶剂回收设备 Waste Organic Solvent Recovery Equipment
陶瓷膜废润滑油回收设备 Ceramic Membrane Waste Lubricating Oil Recycling Equipment
镀锌厂废酸的回收 Waste Acid Recycling Of Zinc Factory
含重金属废水的处理及回用 Treatment And Reuse Of Wastewater Containing Heavy Metals
油墨废水的处理 Printing Ink Wastewater Treatment
污泥干化技术 Sludge Drying Technology
新型危废无害化处理兼产蒸汽和发电 Harmless treatment of new-type of hazardous waste with steam production and power generation
综合危废处理回收理念和实践 Integrated Hazardous Waste Treatment Recovery Theory And Practice
新加坡实际综合危废处理中心(ECO) SingaporeActual Comprehensive Hazardous Waste Treatment Centre (ECO)

|